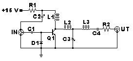
Slutsteg 1W

R1 39ohm
R2 10ohm
C1 68pF
C2 16v/1uF
C3 4-37pF (ca 10pF)
C4 1000pF
Q1 2N5109 eller 2N3949,MRF515,MRF629
L1 10uH
L2 .82uH
L3 .47uH
D1 FD700
Lycka till !
Här är ett en litet slutsteg som kan vara bra
att använda till din egna radiostation Uteffekten är en ca
1watt och med den uteffekten kan du sända några kilometer i
gynnsamma förhållande.
Intrimningen görs genom att man ansluter en
sändare till ingången och en power meter med dummy antenn till
utgången.
Vrid sedan på C3 till du får en bra uteffekt
och en bra ljud signal på radion.
Slutsteget bör byggas in i en skärmlåda för
att inte bli påverkad av omgivningen.