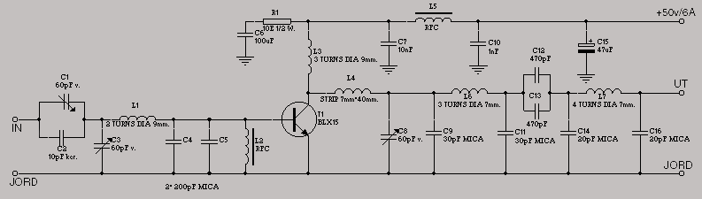
Slutsteg 150-175w/88-108MHz
Även denna ritningen kommer från tidskriften Free Radio Magazine.Slutsteget lämnar mellan 150-175 watt ut vid en in effekt på endast 25 watt. Transistorn förses med ett ordentligt kylelement och en fläkt är att rekommendera för att den inte ska överhettas och gå sönder !! Strömförsörjningen består av en 50 volts transformator med en 6 amper ut (filtrerad och stabiliserad ). Var noga med att din SWR/POWER-Meter ,kabel och konstlast klarar av den höga effekten som slutsteget lämnar (konstlast = dummyload). För optimal intimning använd SWR-meter och var noga att har en ren och klar in signal till steget !!

Ritningen kommer inte från mig !