SSTV-Modem



Som programvara används hamcom eller liknande program !
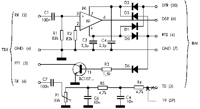
Här är ett enkelt väderfax eller sstv modem med mycket få komponenter som
kan vara bra att ha !
Använd modemet för att sända bilder eller för att ta i mot bilder från väderfax stationer.
Du kan även använda modemet till programmet POC32 så kan man kodar av personsökare signaler med !
Ritningen kommer inte från mig !