T-88
(The Optoblaster)
I called the companion transmitter the T-88 but
nicknamed it “the Optoblaster,” a name typical of those I whispered to
customers at 13-month intervals.
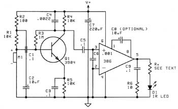
It’s a super-simple constant-current intensity modulator based on a 386.
The fact that the chip biases its output at 1/2V+ automatically provides constant current.
Resting current is determined by supply voltage and the value of Rx.
Any combination of resistance and LEDs is possible, so long as it observes the voltage/current limits of the chip and the LEDs.
The sample built for this book made Rx a conservative 100 ohms.
The Optoblaster was the only bug I ever sold that customers complained was too sensitive.
Omit C8 to reduce audio gain by 20 dB.
The receiver will pick up intelligible audio from ~40’, without optics, and with the Optoblaster sitting directly beneath a 60w table lamp.
let’s just say Sarge’s raves earned me a hundred grand in new business through the end of ‘77.
The point of a contact mic system than can hear really well below 20 Hz escapes most civilians, and is perhaps best left
implicit in the unmentionable notion of safecracking.
Ontology aside, check out the VTC-9X, much the
same high-gain subsonic amp I once built for, er, special clients.
The mic is an electret whose aperture has been sealed to make it a contact mic, detailed in Part I’s discussion of
the topic.
Ml is biased and decoupled in the usual fashion but couples directly to the input of U1-a, a noninverting amp
whose 40 dB gain
is only 3 dB down at 3 Hz.
The value of C3 determines the preamp’s high-frequency corner; 0.OlpF (1,600 Hz) makes a good starting value; increase the value of C3
to decrease high-frequency response.
DC coupling preservers 100 percent of Ml’s subsonic output but creates a huge DC offset at U1-a output. R4 exists to null
this offset (trim R4 to give 1/2V+ at U1-a output).
U1-b is configured in the usual fashion to provide a stable bias reference for U1-a.
U1-a output couples through R6 and C4 to U2, an MC34119 audio power driver configured for 20 dB of gain and further attenuating
treble by action of C6.
Twist U2’s output leads tightly.
High system gain requires short leads and a neat layout.
Ul and U2 run off separate 9V batteries.
The system exhibits subsonic oscillation, at least at more than moderate volume levels, if powered off a single battery.
System response extends so close to DC that the subsonic AC generated when volume is adjusted will mute the output for a second
or two.
This is expected from the nature of the circuit.
Device requires high-quality, sealed, low-impedance headphones to realize full performance.
“Hearing” subsonic tones takes practice.
They register as a pressure not unlike the sensation of tensing the ears in anticipation of a loud noise.
These tones are readily perceived after modest practice.
Viewing the (DC-coupled) output of U1-a on an oscilloscope while listening gives feedback that speeds learning.
When beginners ask for a good safe on which to practice, I usually recommend the Diebold 1200-E.


